
关于LMQ644A2的19脚,comp脚,在单输出模式下是内部运放的输出

其电压与三角波比较,产生PWM波

内部运放的拉电流、灌电流比较小
请问我可不可以在单输出模式下,用有较大电流的外部可变电压连接到comp脚,以控制内部PWM的占空比大小
This thread has been locked.
If you have a related question, please click the "Ask a related question" button in the top right corner. The newly created question will be automatically linked to this question.

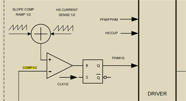
关于LMQ644A2的19脚,comp脚,在单输出模式下是内部运放的输出

其电压与三角波比较,产生PWM波

内部运放的拉电流、灌电流比较小
请问我可不可以在单输出模式下,用有较大电流的外部可变电压连接到comp脚,以控制内部PWM的占空比大小