用TPS54331做的12V转5V电路,调试时发现在5V输出接10R负载时,输入断电后5V下降的波形出现震荡,当取消10R负载之后5V下降波形是正常单调下降的。

原理图如下图,COMP管脚的阻容是用WEBENCH仿真出来的,也尝试过按手册29.4k+120pF并联68pF的配置,测试结果是一样的还是会有震荡

pcb layout如下,背面无器件

目前尝试过修改EN脚的开启电压和增大输入输出电容,这个震荡现象都没有改善,想请教为何会有这样的震荡,该调哪里?
This thread has been locked.
If you have a related question, please click the "Ask a related question" button in the top right corner. The newly created question will be automatically linked to this question.
用TPS54331做的12V转5V电路,调试时发现在5V输出接10R负载时,输入断电后5V下降的波形出现震荡,当取消10R负载之后5V下降波形是正常单调下降的。

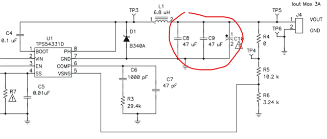
原理图如下图,COMP管脚的阻容是用WEBENCH仿真出来的,也尝试过按手册29.4k+120pF并联68pF的配置,测试结果是一样的还是会有震荡

pcb layout如下,背面无器件

目前尝试过修改EN脚的开启电压和增大输入输出电容,这个震荡现象都没有改善,想请教为何会有这样的震荡,该调哪里?