This thread has been locked.

If you have a related question, please click the "Ask a related question" button in the top right corner. The newly created question will be automatically linked to this question.

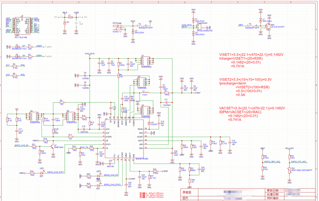
BQ24610: 参数配置问题

Part Number: BQ24610


原理图下,电流配置处参数与实测电压都符合设计,但充电电流只有一百六七十毫安