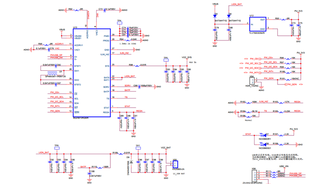
目前VBUS输入12V,原理图如下,监测VBAT电压为3.8V,插上电池未充电,且充电状态指示灯未亮,按照位置,PROG设置为6.04K为2S cell,输出充电电压应为8.4V,但板上万用表测试VBAT电压为3.8V,

This thread has been locked.
If you have a related question, please click the "Ask a related question" button in the top right corner. The newly created question will be automatically linked to this question.
您好,
确保 PROG 引脚的电阻值设置正确,另外请对照TI的EVM
https://www.ti.com.cn/tool/cn/BQ25672EVM