This thread has been locked.

If you have a related question, please click the "Ask a related question" button in the top right corner. The newly created question will be automatically linked to this question.

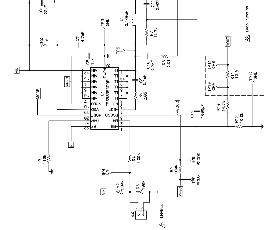
改变TPS53353EVM-744开发板的反馈电阻不能输出3.3V电压

Other Parts Discussed in Thread: TPS53353EVM-744, TPS53353

将TPS53353EVM-744开发板的输出电阻R10,R11分别换成40.2k和5k之后,期望得到3.3V输出电压,实测没有电压输出,何故?