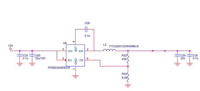
我们在TPS563249空载时测量到了超过10mA的静态电流。电路原理图如下,使用EMK850作为12V输入源和输入电流测量工具,测量到了超过10mA的输入电流(非瞬态)。

但是使用TI官方提供的Pspice模型进行仿真,只得到了40nA的静态电流。使用的仿真电路和仿真结果如下:


我希望知道为什么会有这样的差别,我们的设计中可能有哪里有错误?
This thread has been locked.
If you have a related question, please click the "Ask a related question" button in the top right corner. The newly created question will be automatically linked to this question.