各给好:
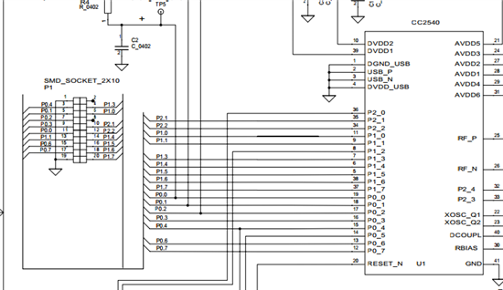
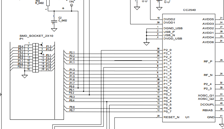
我在Ti官网下载了CC2540EM和SmartRF05原理图,但我看结合这两个原理图看时发现
但是发现两个对应不上去哈,我又在Sheet3图纸上(EM Interface)找了也没有对应的插槽
还请各位大神给我指点一下~
This thread has been locked.
If you have a related question, please click the "Ask a related question" button in the top right corner. The newly created question will be automatically linked to this question.