This thread has been locked.

If you have a related question, please click the "Ask a related question" button in the top right corner. The newly created question will be automatically linked to this question.

CC1200芯片,当片选CS 取低, SO 管脚持续高电平。而CS取高电平,SO输出低电平?

Other Parts Discussed in Thread: CC1200

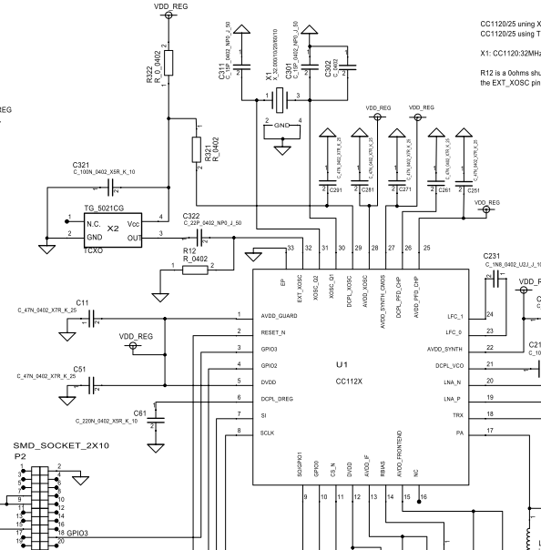
我自制的CC1200应用电路板,原理图参照的是TI的CC1200开发模块原理图。编写SPI程序时发现,当我CS=low时候,SO始终保持高电平,说明书上说当CS=low时,SO应该输出低电平,表示晶振稳定,可以读写。

而且,当我CS=high时候,SO输出为低电平。请问是怎么回事?