您好!
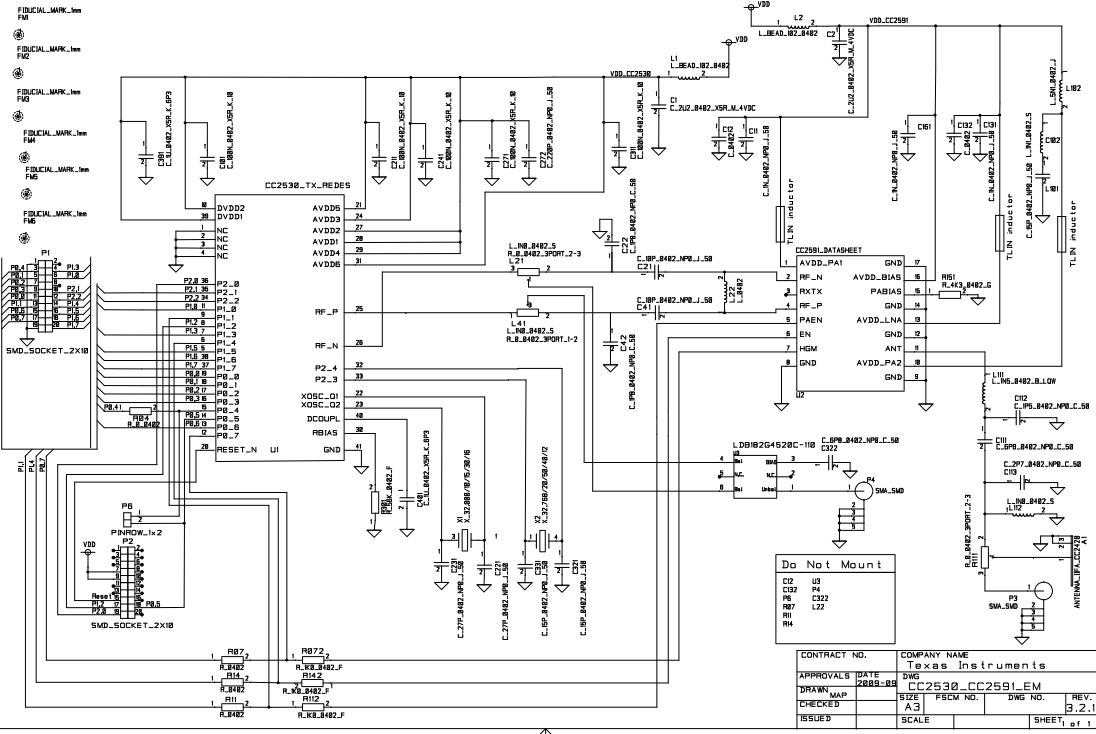
我现在自己想要绘制一款cc2530+cc2591的pcb图,想采用ti设计的原理图,但是我找到的是你们的这个EM的原理图,就copy这个原理图绘制吗?TLIN inducstor这个可以不画吗?
This thread has been locked.
If you have a related question, please click the "Ask a related question" button in the top right corner. The newly created question will be automatically linked to this question.
您好!
我现在自己想要绘制一款cc2530+cc2591的pcb图,想采用ti设计的原理图,但是我找到的是你们的这个EM的原理图,就copy这个原理图绘制吗?TLIN inducstor这个可以不画吗?
您可以参考TI的参考设计,包括原理图及PCB文件
http://www.ti.com.cn/tool/cn/CC2530-CC2591EM-RD?keyMatch=CC2530&tisearch=Search-CN-Everything
您好 非常感谢您给的原理图和pcb!但是还有一些不大明白,原理图的名称是cc2530-cc2591_EM,这个就是原理图吗?还是这是属于某个测试的原理图,还有pcb跟之前接触的不大一样,电感L21和L41的封装为什么是3个引脚的的呢?不可以用两个引脚的0402的封装吗?