Part Number: TLV9051-Q1
有用到一颗TLV9051QDBVRQ1运放,其作用是将LDO输出的0.75V电源,放大到0.8V,然后输出个一个比较器判断是否过压欠压。运放和LDO电路如下。


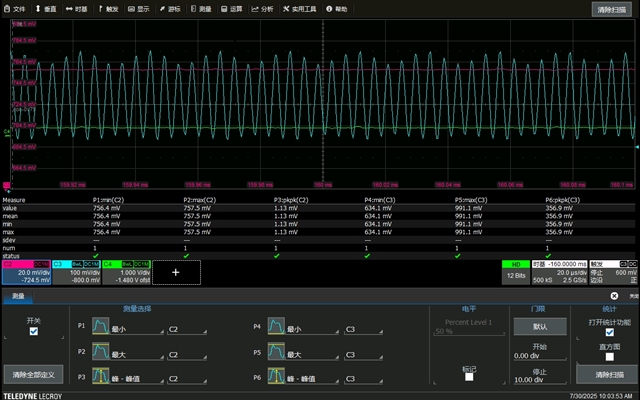
我们整机测试发现在低温-40°冷启动时,测试发现VMON2的输出电压为一个正余弦波。如下图所示。

粉色为LDO输出,也就是运放的IN+,青色为运放输出。
帮忙看下原理图设计哪有问题,有什么优化的建议。
This thread has been locked.
If you have a related question, please click the "Ask a related question" button in the top right corner. The newly created question will be automatically linked to this question.
Part Number: TLV9051-Q1
有用到一颗TLV9051QDBVRQ1运放,其作用是将LDO输出的0.75V电源,放大到0.8V,然后输出个一个比较器判断是否过压欠压。运放和LDO电路如下。


我们整机测试发现在低温-40°冷启动时,测试发现VMON2的输出电压为一个正余弦波。如下图所示。

粉色为LDO输出,也就是运放的IN+,青色为运放输出。
帮忙看下原理图设计哪有问题,有什么优化的建议。