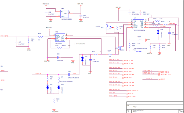
Part Number: XTR111
目前需求传输AC24v叠加载波信号传输15km, 选用XTR111变送器4-20ma输出载波波形FSK3.7khz,耦合到AC24V
上,耦合时需要怎么处理,还有就是这个方案是否可以。

This thread has been locked.
If you have a related question, please click the "Ask a related question" button in the top right corner. The newly created question will be automatically linked to this question.
Part Number: XTR111
目前需求传输AC24v叠加载波信号传输15km, 选用XTR111变送器4-20ma输出载波波形FSK3.7khz,耦合到AC24V
上,耦合时需要怎么处理,还有就是这个方案是否可以。
