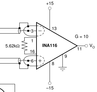
大家好,我看说明书上116PA的最低电源是+-4.5V,我用+-5v按照说明书上测量PH电极的接法在面包板上搭了一个测PH的电路,可不管怎么输入信号,怎么调节增益电阻,11脚输出始终都是mv级的乱调,望大家帮我分析一下,我哪里接的有问题?谢谢大家
This thread has been locked.
If you have a related question, please click the "Ask a related question" button in the top right corner. The newly created question will be automatically linked to this question.
接法没问题,应该是面包板的问题,本身面包板干扰就大,再加上PH电极电流很小,有漏电流的泄露可能会导致输出不稳。
1.要实现差分放大,放大器的输入端的共模电压需要在有效范围内,所以一定要提供一个参考地。
2.运放的输出端11脚建议通过一个小的RC电路再接到ADC,C取1nF左右,R根据带宽要求取。