Part Number: USB2ANY
Other Parts Discussed in Thread: LMH6401,
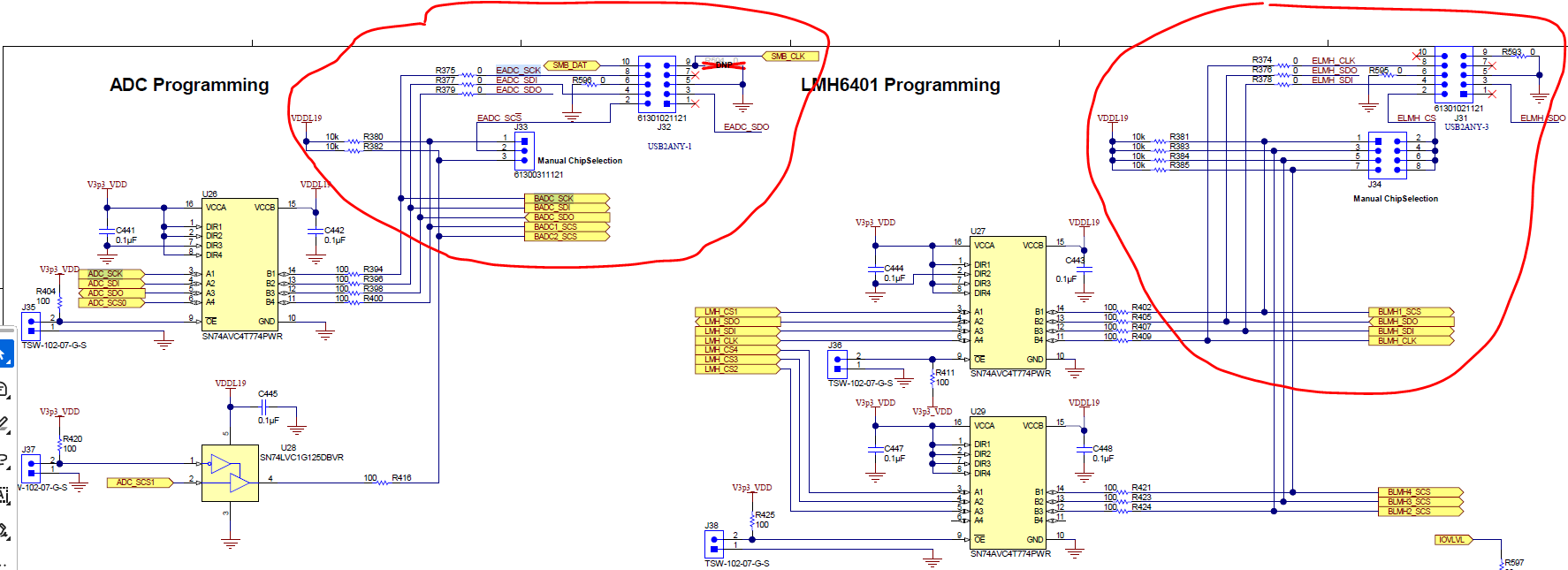
我在查看TI的产品应用方案《适用于DSO&雷达&5G无线测试系统的灵活3.2GSPS多通道AFE参考设计》,在看其设计原理图文件(tidrz70.pdf)时,方案中用到了LMH6401和ADC2DJ3200这两个芯片,并能够使用USB2ANY在外部单独配置它们。但我发现LMH6401和ADC2DJ3200的SPI接口是1.9V的CMOS逻辑,而USB2ANY的总线接口应该是3.3V逻辑的,并且方案中外部的USB2ANY是直接与LMH6401和ADC2DJ3200连接的,并没有添加Level shift,这个是否会有问题?