Part Number: OPA4336


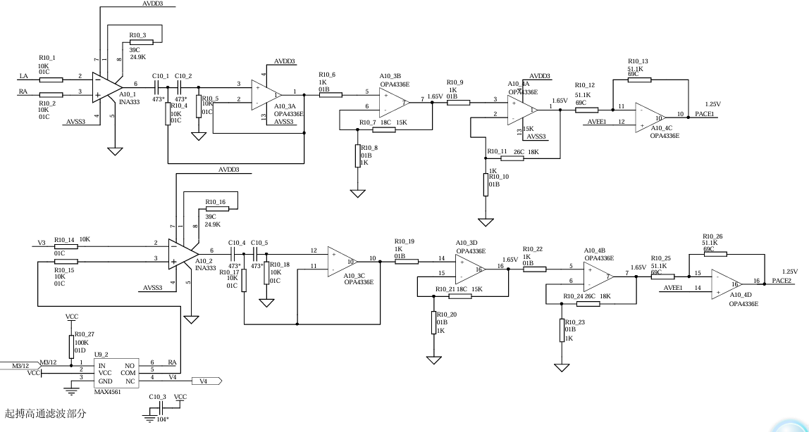
芯片是今年3月份官网发货的2233+5批号,部分芯片电压输出不正常,现在维修检测的方法:
只要更换A10_3(OPA4336E)芯片故障点的电压就能正常输出1.65V. 请问可能是哪些问题故障,
This thread has been locked.
If you have a related question, please click the "Ask a related question" button in the top right corner. The newly created question will be automatically linked to this question.
打开链接ticsc.service-now.com/csm
点击“申请新的支持”下面的“提交申请”按钮
在新打开的窗口中点击“质量,可靠性和环境信息”下面的“创建案例”按钮
在打开的表格中您可以使用中文描述您的问题申请芯片失效性分析。
关于质量问题,请您查阅客户退货流程:www.ti.com.cn/.../customer-returns.html