Part Number: OPA37
Hi, I want to build a “N”-Stage Parallel Amplifier with opa37. The full power bandwidth up to 1MHz, the gain can be smaller. Please tell me how to calculate the value of resistors, thanks.

This thread has been locked.
If you have a related question, please click the "Ask a related question" button in the top right corner. The newly created question will be automatically linked to this question.
Why do you want to use the OPA37?
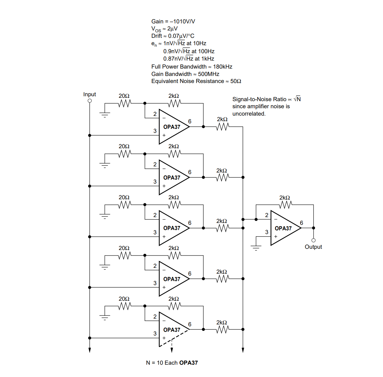
Looks like the minimum gain of OPA37 is 5 - so each amplifier has to have a gain of 5. For the configuration above, you can use 1k in place of the 2k Ohm, gain will be 1k/20 + 1 = 51 (as shown above, the gain of the first stage is 2k/20 + 1 = 101). The closed loop bandwidth will be determined by the GBW of the amplifier and the configured gain (closed loop bandwidth = GBW/gain). The OP37 has a min. GBW of 47 MHz, so if configured in a gain of 51, the closed-loop bandwidth will be 47 MHz/51 = 920 kHz. If you need exactly 1 MHz, then set the gain to 47.
Also, To clarify, I was referring only to the first stage, not the second stage. The second stage is also a gain of 10, since there are 10 2 kOhm resistors in parallel, and a 2 kOhm resistor in feedback. If you change the gain of the first stages to 47, then the total gain including the second stage will be 470. The bandwidth of the second stage will be higher, 4.7 MHz.
Also, To clarify, I was referring only to the first stage, not the second stage. The second stage is also a gain of 10, since there are 10 2 kOhm resistors in parallel, and a 2 kOhm resistor in feedback. If you change the gain of the first stages to 47, then the total gain including the second stage will be 470. The bandwidth of the second stage will be higher, 4.7 MH
Thank you Links, very helpful reply.
I found this circuit by chance. I also found a similar one built by LT1028. I want to test these two circuit.
Besides, what should I use for power supply? LDO, Li-ion battery, DC power supply or others? I know that when testing this circuit, I need to connect input to ground. What else should I pay attention to?
I'm looking forward to your reply. Thanks.
