This thread has been locked.

If you have a related question, please click the "Ask a related question" button in the top right corner. The newly created question will be automatically linked to this question.

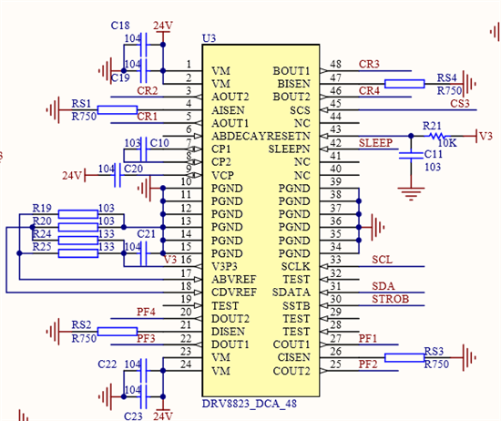
DRV8823的 3V产生问题

Other Parts Discussed in Thread: DRV8823

我们在使用DRV8823(52C3CRTC)(HTSSOP48)时,

发现3.3V产生,始终滞后于24V电压2~6秒,大部分时间会在24V上电3秒之后才有3.3V输出

请问,这个是芯片的特性吗?

这个是我们的原理图。