This thread has been locked.

If you have a related question, please click the "Ask a related question" button in the top right corner. The newly created question will be automatically linked to this question.

关于VCA821压控放大电路的问题

Other Parts Discussed in Thread: VCA821

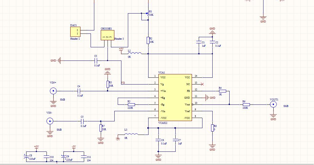
最近用VCA821 搭建了一个压控放大电路 基本是按照 官方技术手册上 搭建的,已经制作成PCB板 并焊接出来。但是测试结果为,输入端输入正弦波,输入端就变成一个4V左右的直流信号,并不是正弦波,调节Vg可以使输出的电压变小? 感觉原理图并没有问题 下面上传原理图和PCB

  • 这样看电路图没什么问题,可是输入是正弦,测量输入就不对,要检查下输入引脚是否焊接好了,输入信号是信号发生器提供的吗?检查下测量有无问题。

    Vg和output voltage的关系可参考Figure 3. Maximum Gain Adjust Range vs Peak-to-Peak Output Voltage曲线,可以看出,随着Gain(dB)的增大,输出VPp减小,而Gain和Gain control voltage也是成正比关系(Figure22),因此,Vg增大,Gain增大,Vpp减小。

  • 您好, 我已经检查出问题了,上面那个电路应该没问题,焊接时,Vin-输入端因为没有用到,就没有焊接电阻,而是让它保持悬空状态,焊接上电阻后就可以了。输入信号是信号源发出的。

    还想问下您所说的  (随着Gain(dB)的增大,输出VPp减小)是什么意思,是输出所能达到的的最大幅度减小吗?


    而且,经过测量按照(Figure41)

    ,


    Vg大概为0.9V时达到 最大增益的一半     实际电路中我 取 Rg=20Ω   Rf=1K  则最大放大倍数 应该为2*Rf/Rg=100    当Vg=0.9V时,增益应该为50V/V左右 ,但是感觉输出和理论计算差距很大,请问您知道是什么原因吗


  • 您好, 我已经检查出问题了,上面那个电路应该没问题,焊接时,Vin-输入端因为没有用到,就没有焊接电阻,而是让它保持悬空状态,焊接上电阻后就可以了。输入信号是信号源发出的。

    还想问下您所说的  (随着Gain(dB)的增大,输出VPp减小)是什么意思,是输出所能达到的的最大幅度减小吗?

    而且,经过测量按照(Figure41)

    ,

    Vg大概为0.9V时达到 最大增益的一半     实际电路中我 取 Rg=20Ω   Rf=1K  则最大放大倍数 应该为2*Rf/Rg=100    当Vg=0.9V时,增益应该为50V/V左右 ,但是感觉输出和理论计算差距很大,请问您知道是什么原因吗

  • 你好,我用VCA821做了一个压控放大电路但不能用,可否让我借阅下您这个原理图?

  • 我的邮箱是2102949003@qq.com。谢谢您