This thread has been locked.

If you have a related question, please click the "Ask a related question" button in the top right corner. The newly created question will be automatically linked to this question.

请教TLV2372组成的恒流放电电路,运放损坏率50%原因

Other Parts Discussed in Thread: TLV2372

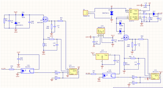
如图,右边那颗运放,损率率50%,现像一直输出高电平。请教具体原因。

右边那个同样类型电路未见这么高的不良率。测试时没有接放电的电源(接没接结果也一样)

  • 你好,有几个具体的细节需要确认一下。

    TLV2372是在什么样的测试条件下损坏的?

    问题中提到的损坏率是指左边还是右边的运放,两个运放都会出现不良的情况?

    根据提供的原理图,运放PIN5的接法是有什么讲究吗?

    A+的电压大小是多少?

  • 两边TLV2372的供电一个是5V,一个是VCC_2,VCC_2是多大电压?为什么还用不同供电?

  • 你好!

    1. A+和A-脚的外部待放电的电池未接,(接上结果也一样)。未使能放电。示波器测量运放1脚,通上工作电源就发现坏了,1脚一直高电平了。

    2. 损坏率指右边运放。左边运放几乎没见坏的。(左边的接有2V电池,平时每秒接通10MS,)

    3.运放5脚没什么讲究,以前是用同一个运放控制两路的,现在改用两个运放了,没有去掉那条线。5脚和6脚焊在一起,上电,也是坏)

    4.A+电压:12V电池。

  • 你好!

    VCC_2是通过了5V  DCDC隔离电源模块的。示波器实测5.5V。     做用:隔离工作电源和放电的部分。

  • 你好,

    建议测试一下左边和右边的运放V+和V-管脚电压,看其是否工作在负反馈状态。

    可以提供以下判断运放损坏的现象吗?将右边的运放用在左边的电路上进行测试看其是否正常工作。