This thread has been locked.

If you have a related question, please click the "Ask a related question" button in the top right corner. The newly created question will be automatically linked to this question.

op37差分采样输入电路问题



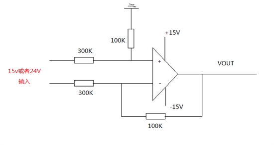
使用OP37GZ做差分电压采样输入电路,需要将输入电压缩小到AD的范围,但是我现在发现有个问题,如下图示:
当差分输入端为15V直流输入时候,输出为5V,很好的直流电压波形;当输入为24V直流的时候,输出的直流电压波形就出现震荡
锯齿跌落,输出也不是按比例缩小,这是为什么呢?