This thread has been locked.

If you have a related question, please click the "Ask a related question" button in the top right corner. The newly created question will be automatically linked to this question.

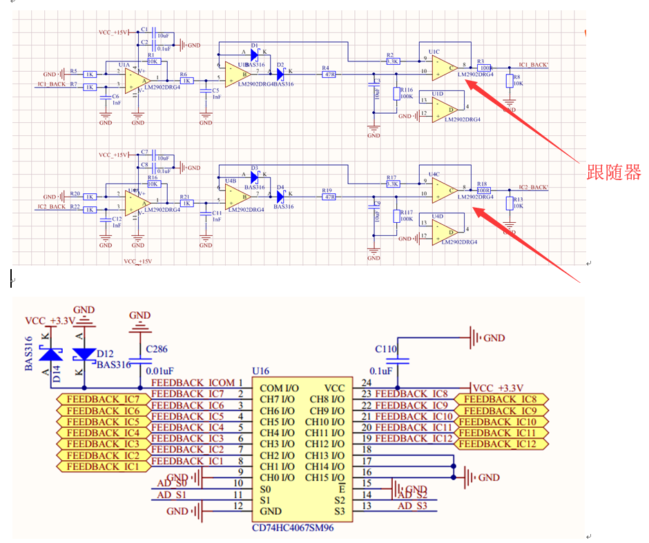
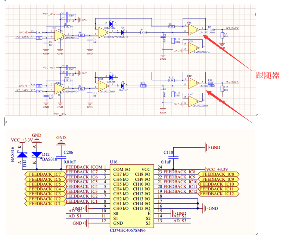
用CD74HC4067SM96 进行多通道电压采集,当输入端接LM2902运放跟随器时,上电后,I0~I15存在0.6V电压;是不是LM2902与CD74HC4067SM96 不兼容。

Other Parts Discussed in Thread: LM2902