This thread has been locked.
If you have a related question, please click the "Ask a related question" button in the top right corner. The newly created question will be automatically linked to this question.
谢谢专家
热电偶SOC方案
http://www.ti.com/lit/an/slaa218/slaa218.pdf
http://www.gaw.ru/pdf/TI/app/msp430/slaa125a.pdf
Isothermal Block 的Cold-Junction Compensation可以参考:
http://www.ti.com/lit/an/snoa663a/snoa663a.pdf
谢谢Billy哥,希望可以解我燃眉之急。我去研究研究
billy哥,这个thermistor是啥东东。我估计这是个类似热敏电阻的东西吧?为什么用这个来调节REF?REF是AD的REF么?如果是的话,调节AD的满量程?这个能调准么?热电偶本身就不是完全线性的,这个thermistor的线性跟热电偶的线性能相符么?请指教
理解错了,Vref是输出吧?分压得到与热电偶线性差不多的补偿电压?
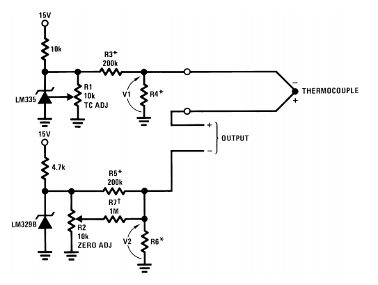
这个电路每怎么看懂,为什么在两端都要调?望您赐教,越详细越好
楼主你好!可以参考下面这篇文章,非常详细:
http://www.deyisupport.com/blog/b/signalchain/archive/2013/01/17/51394.aspx