Part Number: TL084
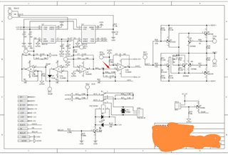
请问一下,TL084CDR的12脚被拉低成-15V(大概),导致输出没波形只有高电平,,输入信号被钳位成低电平导致输出为直流电 可以帮忙分析下是哪里出问题吗?
This thread has been locked.
If you have a related question, please click the "Ask a related question" button in the top right corner. The newly created question will be automatically linked to this question.