This thread has been locked.

If you have a related question, please click the "Ask a related question" button in the top right corner. The newly created question will be automatically linked to this question.

OPA656: opa656u用于放大电路中 响应曲线不正常

Part Number: OPA656


将OPA656U用于放大电路中 响应曲线最高值被削弱,这是为什么。

  • 您好,

    您可以附上应用的电路图吗?异常时的输入信号是什么?输出异常的信号是什么?您可以给出输入和对应输出信号的波形吗?希望您给出更多OPA656U的应用信息以方便分析问题原因。

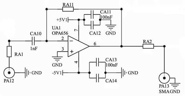
  • 我的器件的响应图是 电路是下面这个电路 ,进行放大 ,无论比例是多少,响应的曲线最高峰都被削弱,如下图所示 ,是什么原因呀?

  • 这是个微分电路,电路中的参数是什么?

    输入和输出信号幅值是什么范围?测试时有接负载吗?

    在输入端串联一个小电阻以限制输入电流看输出波形是否有所改善?

  • 电路中,我设置的参数是RA1为1千欧,RA11为1千欧,RA2为100欧,CA10为图上标注的1nF,其他的参数在图中标注出来了,上面曲线不正常的图放大比例为1:1。输入的信号幅值为2.24mV,您所说的负载是什么意思?我有点没有明白。

  • 我上面说的负载是指输出端外接的电路,输出端是悬空测量的,还是有外接电路时测量的。

    上图中黄色曲线和蓝色曲线分别是什么曲线?和您描述的输入信号幅值2.24mV不对应。

    您输入的信号频率范围是多少?对于高频信号,可以大约等效为-1倍的反向放大电路,因为对于低频信号1nF并不是直通的,它存在一定的幅值衰减。

    对于RG和RF,建议使用 RF || RG < 200 Ω的电阻,因为电阻太大的话,因为一些寄生电容会对其高频特性造成一定的影响。

    建议您使用仿真软件仿真其幅频和相频曲线,以查看其各参数在各频段对其输出曲线的影响,然后调节各参数以达到期望输出。

  • 您好 我按照您说的,在输入端前面串联一个小电阻以限制输入电流看输出波形,波形就变正常了