This thread has been locked.

If you have a related question, please click the "Ask a related question" button in the top right corner. The newly created question will be automatically linked to this question.

OPA656的问题

Other Parts Discussed in Thread: LMH6702

1. 正负电源按照要求添加滤波电容,可是用示波器观察仍然有1.6us周期的震荡,同时输入信号也会受到影响,有啥好办法没?

 

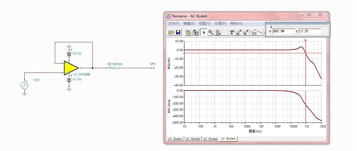
2.信号输入端先是一个50欧电阻接地,阻抗匹配,然后我又串了一个 100k的电阻,电阻并联一个100pf的电容,记得当时看是为了保护输入引脚,是不是没有这个必要?我用信号发生器输入正弦波,发现随着频率的增大(5M以上),幅值会不断衰减,是不是跟这个电阻和电容有关?非常感谢!