Part Number: INA296B
Other Parts Discussed in Thread: LP5907
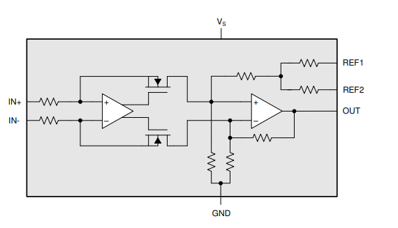
电路状态如下:
放大器的供电电压为3.3v,输出悬空,IN+ IN-直接短接悬空,REF1&2短接接地,测得IN+&IN-为-7.5V 对地短接电流为80uA,望解答。
通过波形分析可以观察到该引脚对外输出74kHz的干扰信号
This thread has been locked.
If you have a related question, please click the "Ask a related question" button in the top right corner. The newly created question will be automatically linked to this question.
TI的这款器件在应用时对外产生了不应该出现的高额负电压偏置和漏电流。
您可以附上产生“负电压偏置和漏电流”时的电路连接图吗?我想知道是在什么电路连接的情况下产生的?
在实际应用时,芯片的IN+-通过滤波电路和采样电阻被短接,同时连接到电源的输出电源轨,在电源不工作时,我发现该电源无法输出0V,而是负电压。
电源的输出电源轨其电压值是多少?是供电电压3.3V吗?供电电压3.3V是怎样产生的呢?您是怎样定义的“电源不工作”?产生3.3V电压的电路有使能管脚是吗?电源不工作时是将使能管脚禁用了是吗?
总之我想更详细的了解您的应用电路,请您将更多的信息告诉我,以便更有效的解决您的问题
该电感节点通过一枚关断的氮化镓器件构成高阻抗共地回路。
我不了解 氮化镓器件,您可以附上包括这块的完整的电路图吗?以方便我和我们的电源工程师讨论下这块的工作情况
您可以在该器件的IN+/-对地反向串联两枚普通开关二极管 即可观察到负压。
我好像明白了您说的情况,BUCK电源电路如下截图所示,它有两种工作状态,一个是开关管导通时,一个是开关管断开时。您是在电感右边串联了采样电阻。在BUCK电源不工作时,相当于INA296B的 IN+/-管脚通过续流二极管接地和通过开关管、Vi端接地,如果有负载RL的话,还有通过RL接地。


我用TINA搭建如下仿真电路,INA296B的 IN+/-管脚确实是一个负压:

如果没有负载RL、悬空输入端,或者说对地阻抗比较大,如下仿真,INA296B的 IN+/-管脚确实有一个-7.5V的电压。

我想这应该与INA296B内部电路有关:
