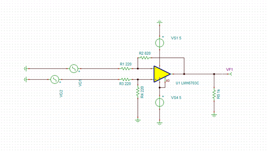
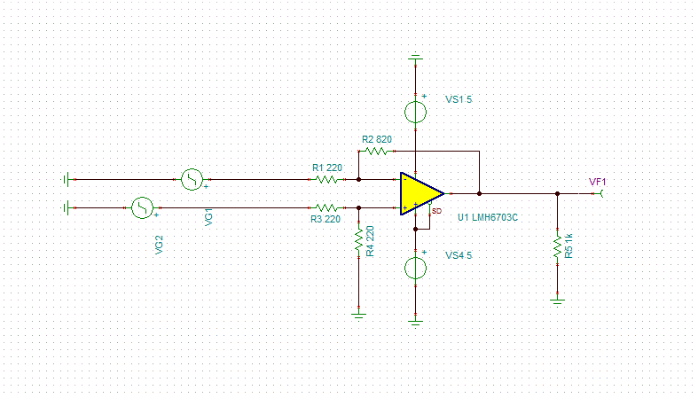
我做了个差分放大电路,芯片型号是LMH6703MF。输入两路正弦波,相位差180.峰峰值300mv。结果输出的时候不仅没有放大,反而缩小到了50多mv。请教一下为什么会出现这种情况?
This thread has been locked.
If you have a related question, please click the "Ask a related question" button in the top right corner. The newly created question will be automatically linked to this question.
我做了个差分放大电路,芯片型号是LMH6703MF。输入两路正弦波,相位差180.峰峰值300mv。结果输出的时候不仅没有放大,反而缩小到了50多mv。请教一下为什么会出现这种情况?
你输入信号实际中也是这么高的频率吗?那你是做的板子还是搭的试验板?你的电路应该是输出是两个输入端的差值,TINA仿真结果不是正确放大的吧?
刚才测试了一下,输出太小可能是因为负载电阻太小,示波器设置的高阻抗。因此测得值偏小
您看一下信号源接进来后的输入波形,然后看一下运放正输入端的波形,极有可能是是频率太高,阻抗不匹配导致。您也可以看一下,如果减小频率,输出会不会有变化。谢谢!
信号源直接接到示波器也幅值变小了,减小频率,输出变大了,有可能是频率太高导致的。谢谢提醒
信号发生器有一个50欧姆的阻抗,而且你频率太高,很有可能是因为阻抗不匹配造成的