This thread has been locked.
If you have a related question, please click the "Ask a related question" button in the top right corner. The newly created question will be automatically linked to this question.
利用ARM的串口如何控制PGA308的放大?有什么具体的例子。十分感谢了。
这样提问太笼统了. 哪款ARM, 缺乏针对性?
其实根据 PGA308 的手册, 并不困难
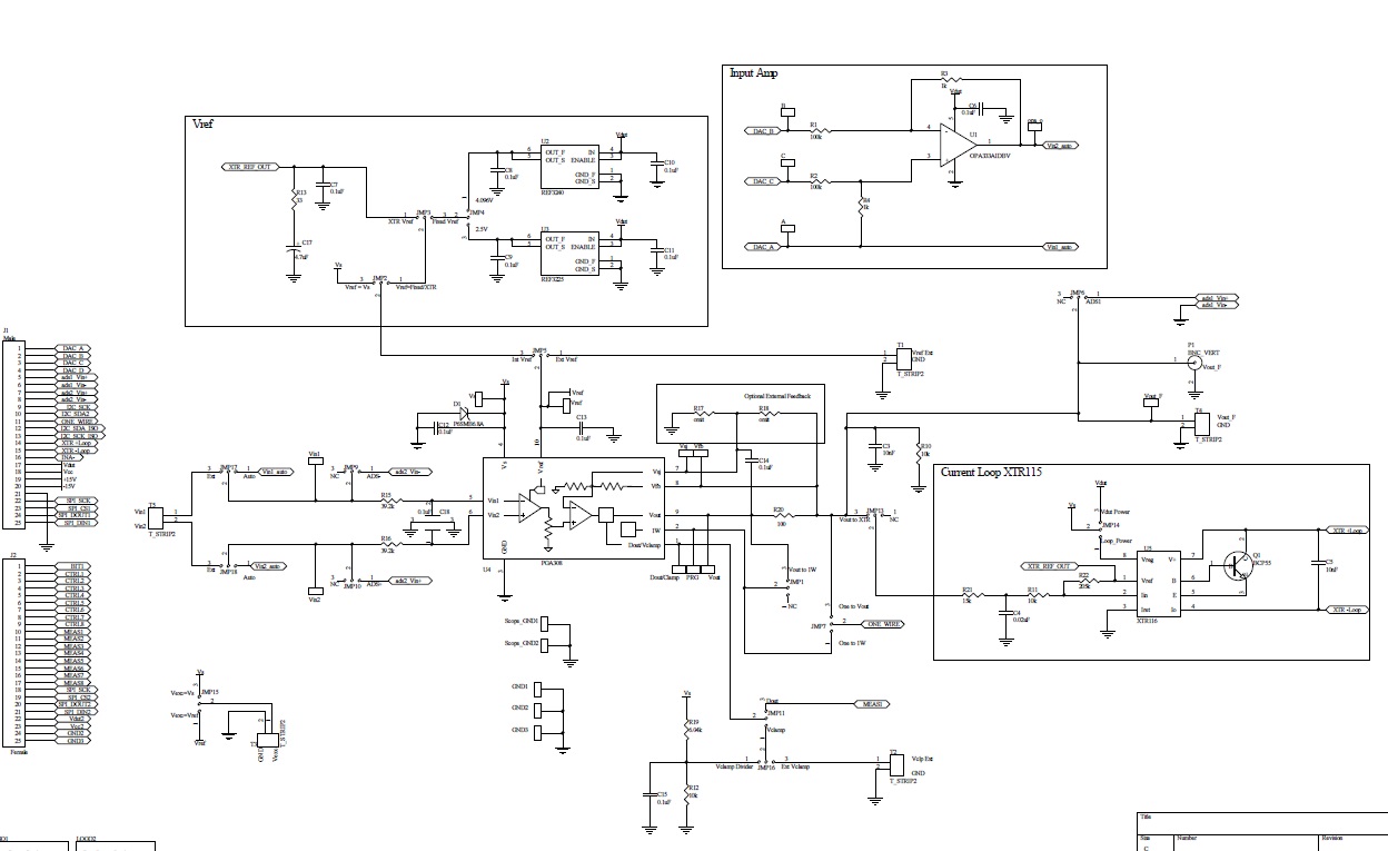
楼主您好,你可以参考附件中的电路做设计: