This thread has been locked.

If you have a related question, please click the "Ask a related question" button in the top right corner. The newly created question will be automatically linked to this question.

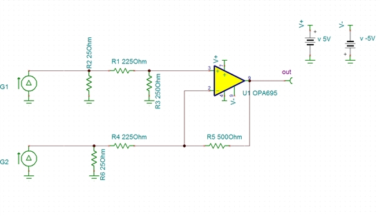
opa695

Other Parts Discussed in Thread: OPA695

大家好,我用的是tian90的软件,想用opa695的做差动到单端的转换,但是插入里面的opa695进行仿真     显示TLD插脚:Out元件宏中的任何一个插脚都不匹配{opa695}      ,大家谁用过,指导下,急,在此先谢谢啦!