This thread has been locked.

If you have a related question, please click the "Ask a related question" button in the top right corner. The newly created question will be automatically linked to this question.

【原创】运放同相放大和反相放大的理解



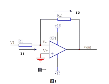
图一运放的同向端接地=0V,反向端和同向端虚短,所以也是0V,反向输入端输入电阻很高,虚断,几乎没有电流注入和流出,那么R1和R2相当于是串联的,流过一个串联电路中的每一只组件的电流是相同的,即流过R1的电流和流过R2的电流是相同的。
流过R1的电流:I1=(Vi-V-)/R1………a

流过R2的电流:I2=(V--Vout)/R2……b
V-=V+=0………………c

I1=I2……………………d

求解上面的初中代数方程得

Vout=(-R2/R1)*Vi

这就是传说中的反向放大器的输入输出关系式了。

图二中Vi与V-虚短,则Vi=V-……a

因为虚断,反向输入端没有电流输入输出,通过R1和R2的电流相等,设此电流为I,由欧姆定律得:

I=Vout/(R1+R2)……b
Vi等于R2上的分压,即:Vi=I*R2……c
由abc式得Vout=Vi*(R1+R2)/R2,这就是传说中的同向放大器的公式了。