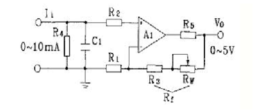
由运算放大器组成的I/V转换电路
先将输入电流经过一个电阻(高精度、热稳定性好)使其产生一个电压,在将电压经过一个电压跟随器(或放大器),将输入、输出隔离开来,使其负载不能影响电流在电阻上产生的电压。然后经一个电压跟随器(或放大器)输出。C1滤除高频干扰,应为pf级电容。
电路如下图所示
输出电压为:
优点:负载不影响转换关系,但输入电压受提供芯片电压的影响即有输出电压上限值。
要求:电流输入信号Ii是从运算放大器A1的同相输入端输入的,因此要求选用具有较高共模抑制比的运算放大器,例如,OP-07、OP-27等。R4为高精度、热稳定性较好的电阻。

