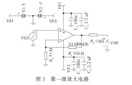
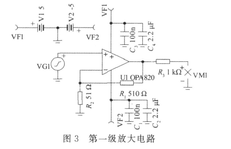
使用OPA820作为一级放大电路,THS3091作为第二级放大电路,分别进行11倍的同相放大
This thread has been locked.
If you have a related question, please click the "Ask a related question" button in the top right corner. The newly created question will be automatically linked to this question.
你好,在运放偏置电流很小的情况下,bias电流产生的误差可以忽略,故可以不采用平衡电阻。OPA820的偏置电流约为16uA,可以根据实际应用的精度要求来选择是否需要平衡电阻。
此外,平衡电阻会带来噪声,一定程度上会影响运放的稳定性,在使用的时候有时候还会加一个旁路电容