This thread has been locked.

If you have a related question, please click the "Ask a related question" button in the top right corner. The newly created question will be automatically linked to this question.

【原创】单电源I/F转换电路



电路原理图

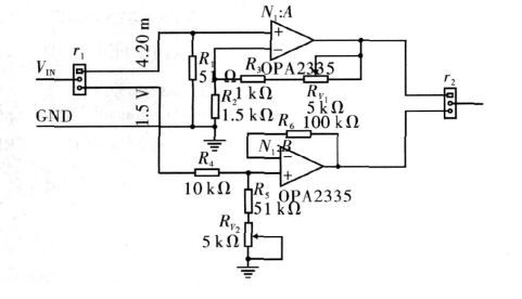
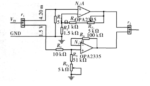
第一级运算放大电路

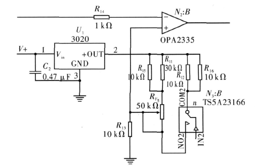
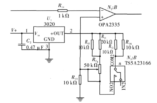
第二级运算放大电路

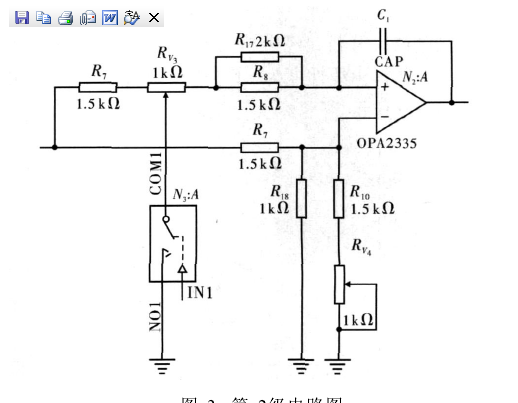
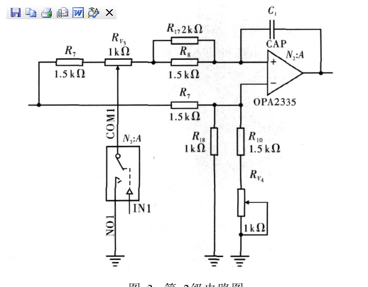
第三级电路