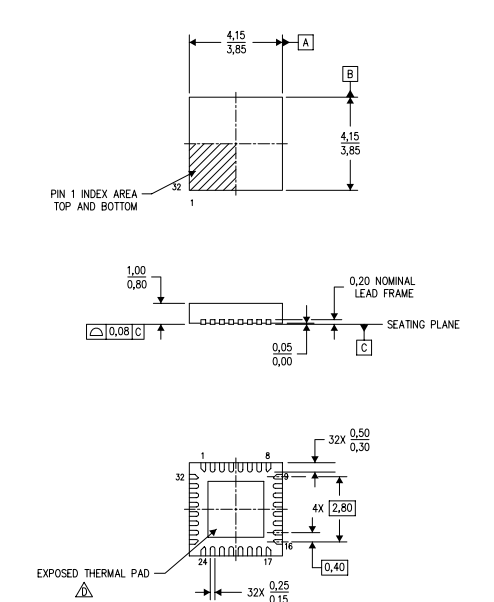
ADS1291 QFN32封装,四周引脚的中间是一个比较大的触点,
我测量这下个触点.它不跟任何引脚连接的.我画PCB的时候这个触点要不要连接到地?跟数字地还是跟模拟地连接?
谢谢!!!
This thread has been locked.
If you have a related question, please click the "Ask a related question" button in the top right corner. The newly created question will be automatically linked to this question.
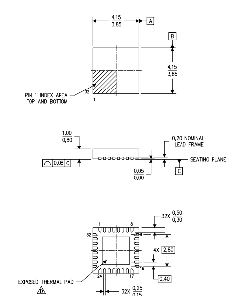
ADS1291 QFN32封装,四周引脚的中间是一个比较大的触点,
我测量这下个触点.它不跟任何引脚连接的.我画PCB的时候这个触点要不要连接到地?跟数字地还是跟模拟地连接?
谢谢!!!