This thread has been locked.

If you have a related question, please click the "Ask a related question" button in the top right corner. The newly created question will be automatically linked to this question.

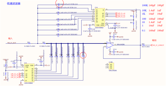
OPA189: 低通滤波器输出电压衰减问题

Part Number: OPA189

使用OPA189 搭建了截止频率可调的低通滤波器,发现一个问题。当输入电压小于2.5V的时候,输出跟随输入电压,等于输入电压。

但是当输入电压大于2.5V ,例如3V的是,输出只有2.7V左右。请问这是什么问题导致的呢?

谢谢!

  • 您好,

    您输入小于2.5V和大于2.5V信号的频率分别是多少?它们频率相同吗?因为是低通滤波器,如果频率过高输出就是会衰减的;

    测试时您选择的电容分别是多少?您是否尝试短接ADG408以排除此多路复用器的影响?