Other Parts Discussed in Thread: INA168, INA138
您好:关于电流检测放大器共模电压扩展,有两个问题想请教您;
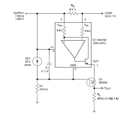
1、请问INA301是否也可以参考如下图1电路(电流跟随)进行共模输入电压范围扩展呢?
2、如果INA301想参考INA168那样将电源悬浮在齐纳二极管两端来实现高共模,那么输出需要怎么处理?
This thread has been locked.
If you have a related question, please click the "Ask a related question" button in the top right corner. The newly created question will be automatically linked to this question.