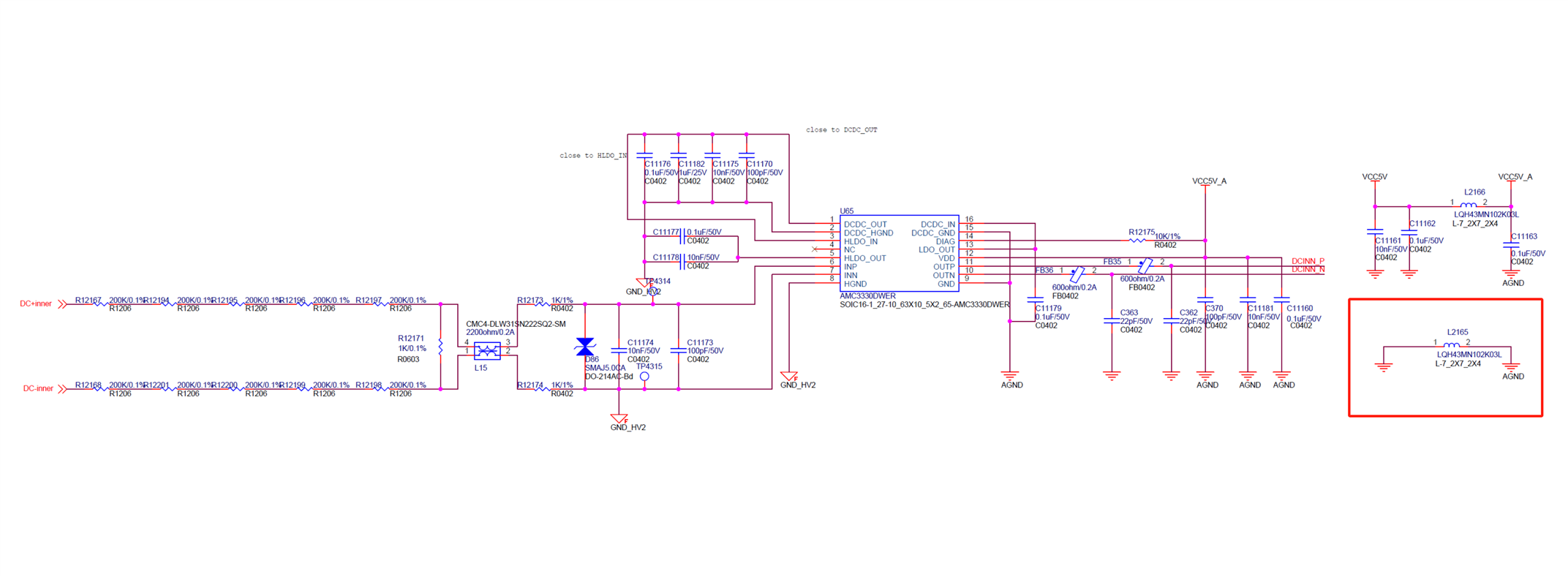
Part Number: AMC3330

原理图见上图,前级连接的线缆可以达到7m。
次级AGND与GND相连时,CISPR11标准辐射A级 31MHz左右的频点超标10多个dB;

断开AGND与GND的连接----去掉L2165,可以通过测试,而且裕量较多;
尝试过L2165更换为1兆欧的大电阻,也可以通过测试,但是功能会有问题。
请问有什么设计方面的建议或者有能PIN对PIN替代的器件也可以推荐
谢谢
This thread has been locked.
If you have a related question, please click the "Ask a related question" button in the top right corner. The newly created question will be automatically linked to this question.
我在之前的回复中试图解释DLW31SN222SQ2在这些较低频率下不那么有效。 它在200-300MHz时最有效(阻抗最高)。 客户在30MHz频率下出现RE故障,比DLW31SN222SQ2最佳频率低10倍。
客户需要找到在较低频率下具有更高阻抗的不同共模扼流圈或铁氧体磁珠元件,特别是30MHz。
参见MHF1608BAC352ATD25,例如:https://media.digikey.com/pdf/Data%20Sheets/TDK%20PDFs/MHF1608_Type_DS.pdf
