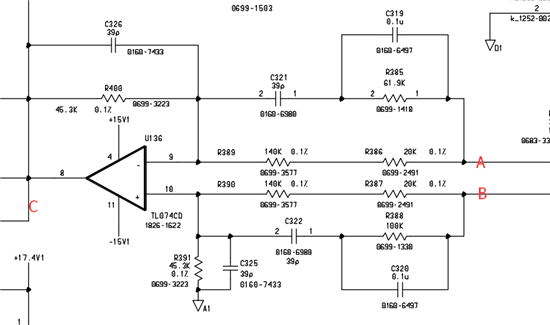
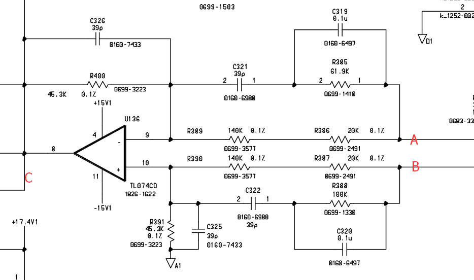
最近看安捷伦的线性电源原理图,发现输出电压采集部分用的是TI的运放,但是接的超复杂,在别的地方从来没有见过,原理图如下,A、B两点分别是电源和地,C点经电阻分压后送AD采集,如果这是相位补偿的话,为什么这么复杂,依据是什么,原理图附件上传,原理图在文件的最后
This thread has been locked.
If you have a related question, please click the "Ask a related question" button in the top right corner. The newly created question will be automatically linked to this question.
最近看安捷伦的线性电源原理图,发现输出电压采集部分用的是TI的运放,但是接的超复杂,在别的地方从来没有见过,原理图如下,A、B两点分别是电源和地,C点经电阻分压后送AD采集,如果这是相位补偿的话,为什么这么复杂,依据是什么,原理图附件上传,原理图在文件的最后