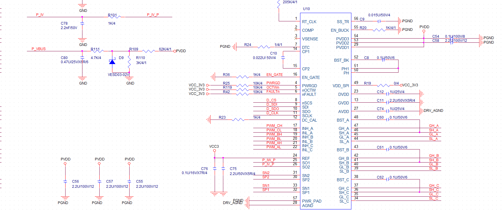
最近在调试DRV8301的时候出现了一些奇怪的问题,我没有用8301自带的BUCK,在EN-GATE后,里面的LDO产生的AVDD为6.5V,DVDD为3.3V。电核泵产生的电压10.5V左右,电核泵电容两端的电压比较正常,SPI通信正常,读两个状态寄存器都是正常的。
在输入PWM以后,电荷泵电容两边的波形就不正常了,GVDD也有一些抖动,但大于8V。此时PWM输出不正常,表现状态为输出了两个或者一个PWM后就被拉低,然后一直重复,SPI通信也中断,读寄存器都是0,FAULTn和OTCW都报错。
请各位英雄帮忙看一下是什么问题,急死人了。

