DRV8432管脚顺序问题,急



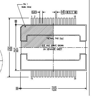
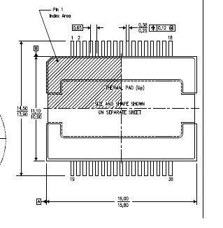
以上两图是DRV8432数据手册中的,第一个图的管脚顺序和下面图的不一样呢,以哪个为准?

  • 按上面这个为准,可以直接从DRV8432产品主页上下载package封装尺寸,更准确。

  • Hi Yuliang 

    DRV8432是比较特殊的一款芯片,该芯片散热片是在Top面(第一张图片)。另外看第二张图片,客户都是在TOP面加散热片。所以datasheet上两个图都正确。你上面描述的第一张图片是从底部观察芯片的图片,第二张是从顶部观察芯片的图片。该芯片使用TOP面外置散热片,可以通过10A以上的电流。请问您这个是什么应用,可以到TI官网去下载DRV8432的EVM板相关资料。

    http://www.ti.com/product/DRV8432/technicaldocuments

  • Hi Yuliang 

    你的第一幅图中的Pin19 - Pin36序号是反的。在芯片上一个圆圈加三个竖线的是Pin1,与其对应的是Pin36.  请按照第二幅图设计。 你也可以从以下链接下载该芯片库文件 www.ti.com/.../quality