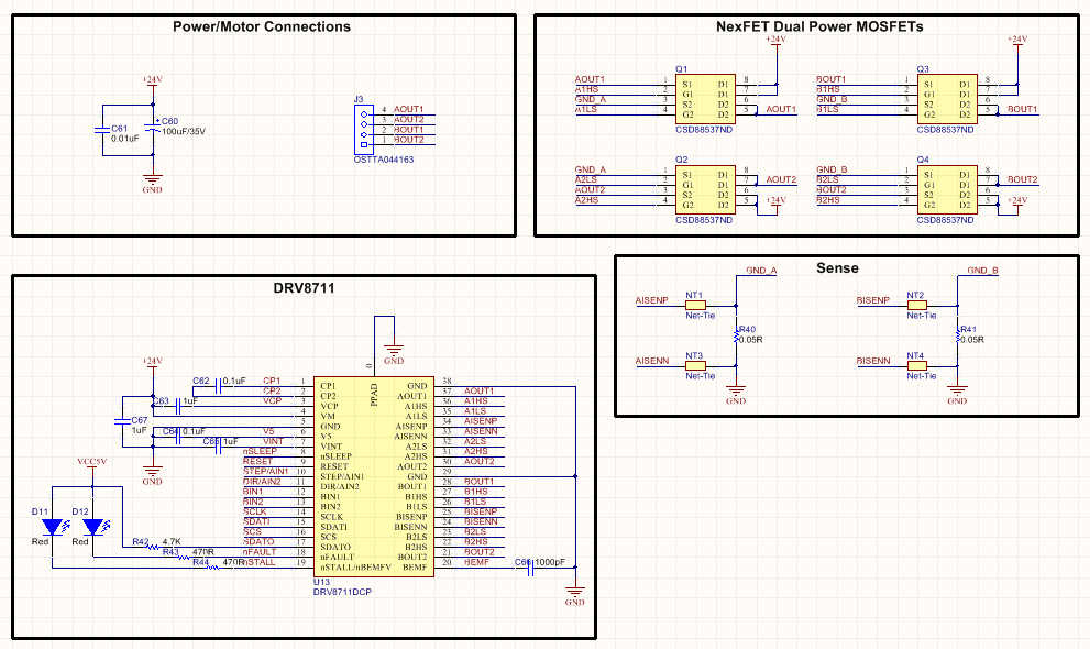
电路参考BOOST_DRV8711设计,24V供电,每相电流2A,64细分,STEP,DIR加SPI控制方式,寄存器配置如下:
STALL_REG = ((0x3 << 8) | (0x3 << 10));
DRIVE_REG = ((0x2 << 0)|(0x3 << 2));
BLANK_REG = ((0x4C << 0));
DECAY_REG = ((0x3 << 8) | (0x6 << 0));
OFF_REG = (0x28 << 0);
CTRL_REG = (0x01 | (0x6 << 3) | (0x3 << 10));