Other Parts Discussed in Thread: DRV8835
现有个项目想采用DRV8835作为自动调焦马达的驱动,但有以下两点疑问:
1. 马达为微型步进马达,不知应该选IN/IN mode还是PH/EN mode;
2. 目前接的VM为单节锂电池电压,VCC接2.8V,input均为2.8V GPIO,不知能否正常工作;
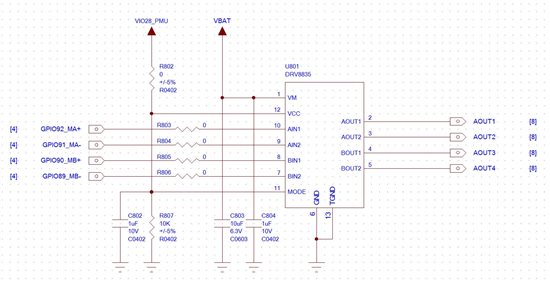
下图为原理图,还请帮忙释疑,谢谢!!
1. 两种模式都可选。只是不同的控制方式,效果一样。
2. 2V以上就可以正常工作。
好的,谢谢Alvin的解答!