dp83867 在Linux下可以识别百兆/千兆网卡,能够配置ip,但是无法ping通

Other Parts Discussed in Thread: DP83867IR

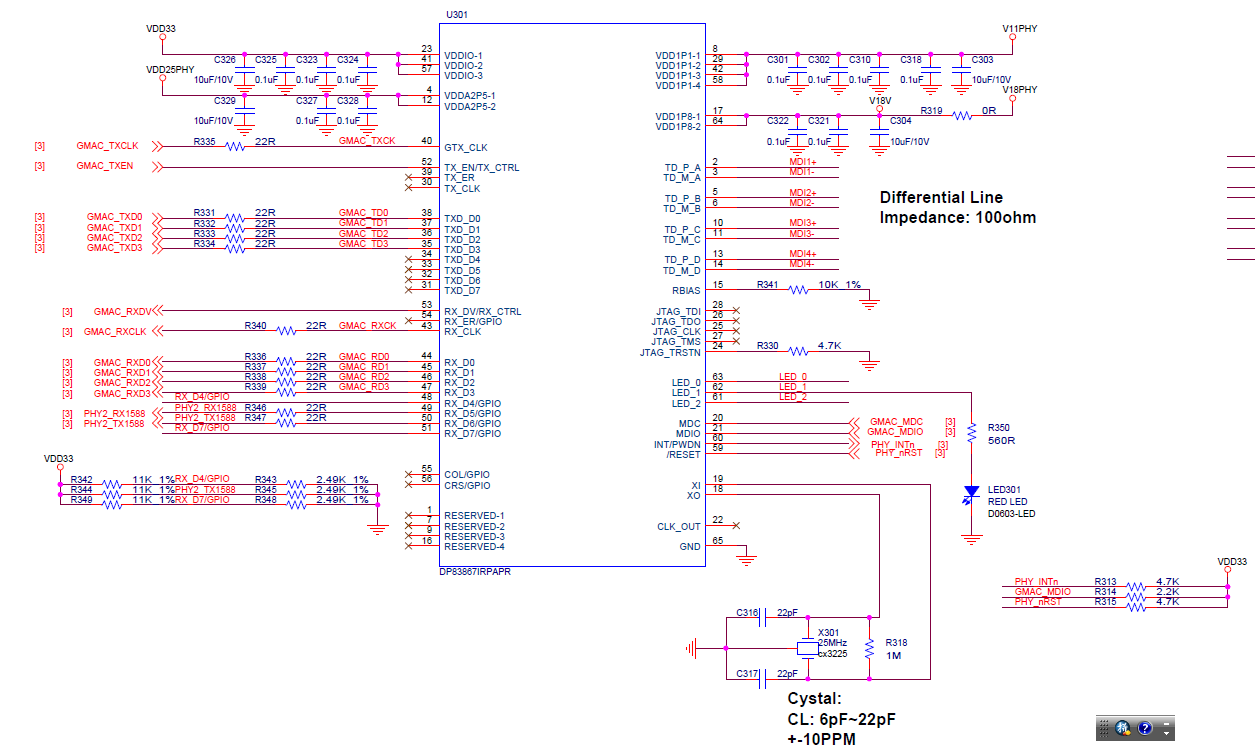
1 主芯片是s5p4418 ,使用的芯片是dp83867ir, 原理图照片如下

2 从5008出来的差分信号,对阻抗有要求,中间有一个转接板,这样对通信有多大影响