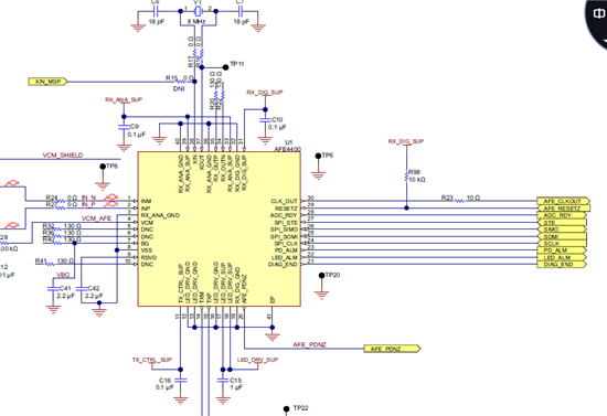
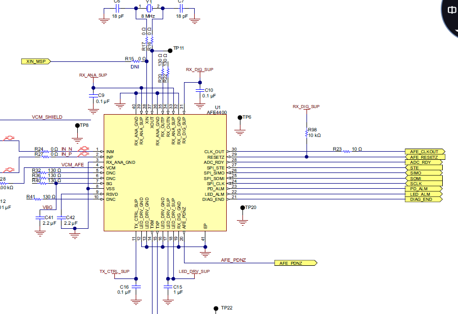
在AFE44000芯片有个引脚显示的是AFE_CLKOUT,但是我并没有找到与之相连的引脚,那这个引脚可连可不连吗?
这是一个输出引脚,输出4MHz的时钟信号,可以用来给外部其他器件提供输入时钟。
不是说一定要连到单片机,要看评估板中单片机的时钟需要的是否为4Mhz的频率,AFE4400的CLKOUT是内部时钟buffer输出的4MHz的时钟信号,可以作为外部器件的时钟输入。