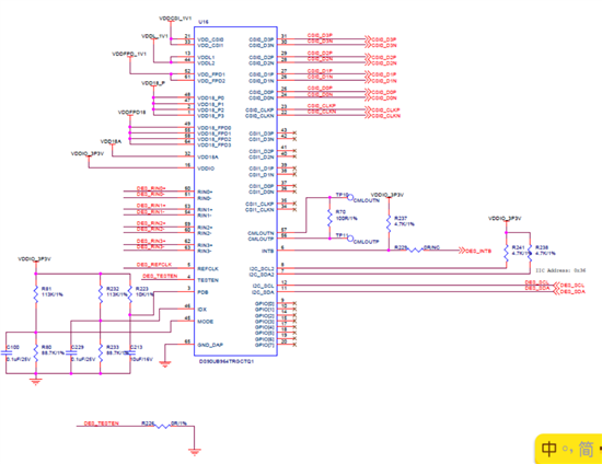
下图是我们设计的原理图,soc是imx6q,设备地址是0x36,用i2cdetect命令,可以在i2c总线下看到ds90ub964已经挂载,但是使用i2cset和i2cget命令的时候就会报错:Error: Write Failed。请问这个是什么原因?
下图是我们设计的原理图,soc是imx6q,设备地址是0x36,用i2cdetect命令,可以在i2c总线下看到ds90ub964已经挂载,但是使用i2cset和i2cget命令的时候就会报错:Error: Write Failed。请问这个是什么原因?