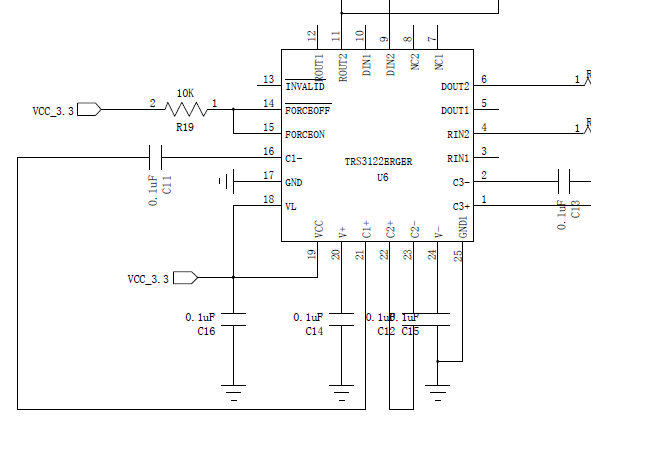
TRS3122电平转换芯片异常原因



TRS3122电平转换芯片DOUT输出为+5.5V,之前的都是-5.5V,且此条件下能发送数据不能接收数据?输出端DB9母头接入USB转232串口线后RIN脚电平为-6.5V左右,寻求异常原因。感谢

  • 确认下您的问题,您的意思是打算将直流信号通过这款器件实现电平转换,输出232电平是吗?

     

     如果是232应用的话,对于这款器件来说,3.3V供电的时候,DOUT满载输出典型幅值为+-5.4V。