Other Parts Discussed in Thread: DRV8850
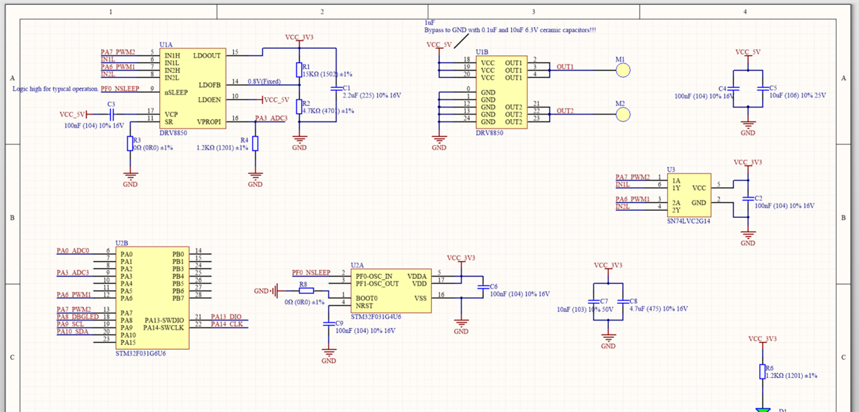
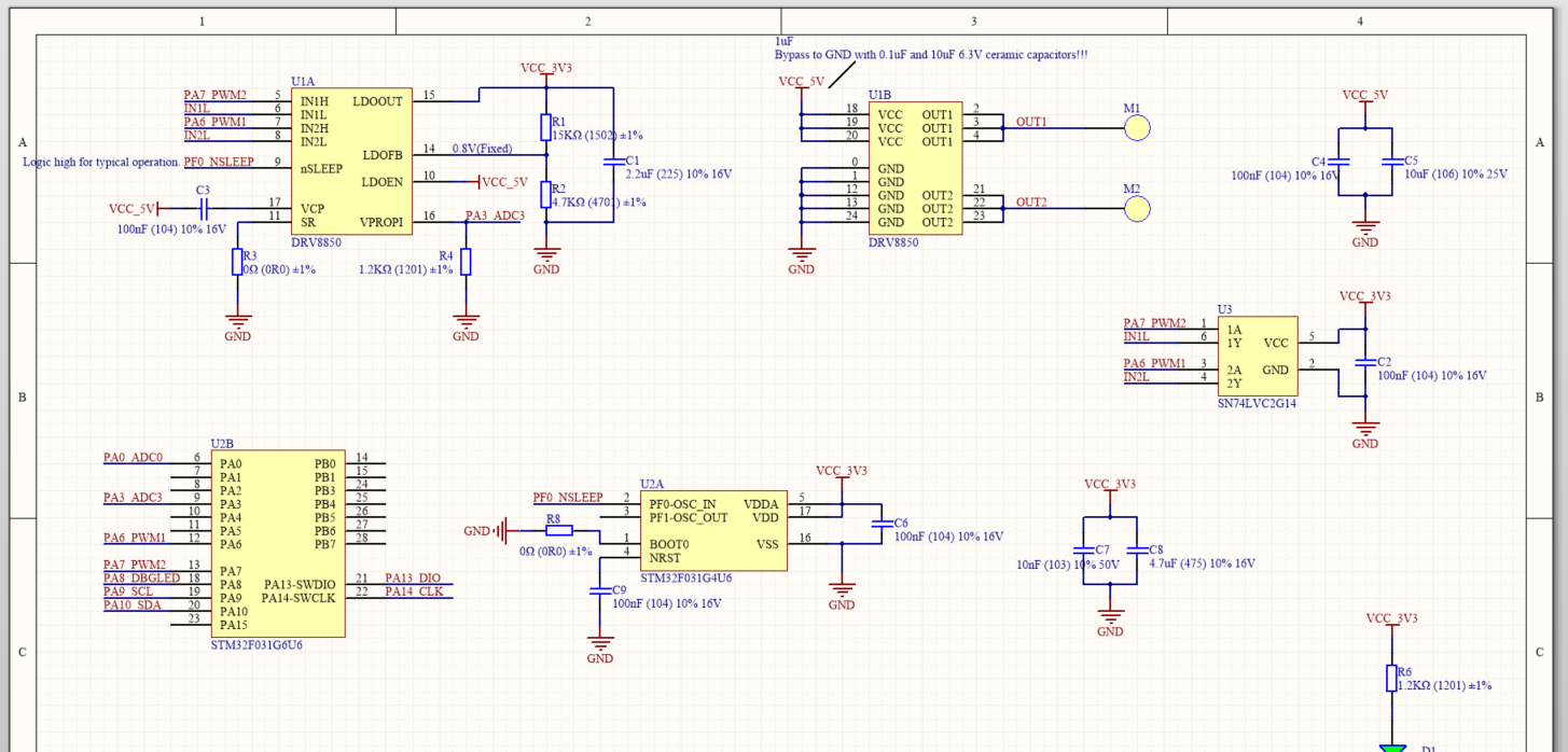
DRV8850在4.5V供电情况下,负载是33欧水泥电阻。取样电阻1.2K。测试取样电阻两端电压是3.9V,是什么原因造成的。理论上输出应该是81mV左右,我们的产品需要精确控制电机的电流。下面是原理图与PCB。帮忙确认一下设计是否合理,做了600片板子电流检测都不正常。
看不到R6在PCB中的位号,原理图中也不知道R6下端接那里了,建议看一下电流采样的走线,要单独走差分线到AD口。