Hi:我们在测试CD4052BM发现以下问题:
故障现象:采样电路由运算放大器、CD4052模拟开关,RC低通滤波,ADC芯片组成,各个芯片均采用+3.3V供电。信号S1、S2经过放大处理后(0~3V)连接CD4052输入端,控制CD4052选通对应的信号,并增加70us的延时后启动AD转换。
生产抽检过程,发现两个通道间有影响。S1加入有效值为1V的正弦波后,设备显示S2存在0.02V左右的正弦波信号。
该产品已经量产,之前测试未出现过此问题,电路和料单未更改。检查发现CD4052BM与以前正常设备上不同。
故障设备上CD4052BM 丝印
77A93HM
CD4052BMG4
正常设备上CD4052BM丝印
1CP29CAG3
CD4052BM
问题1:CD4052BM正反向导通阻抗是否一致,有多大差别?
问题2:3.3V供电情况下,不同批次的CD4052BM工作特性包括导通阻抗,导通时间等是否稳定?
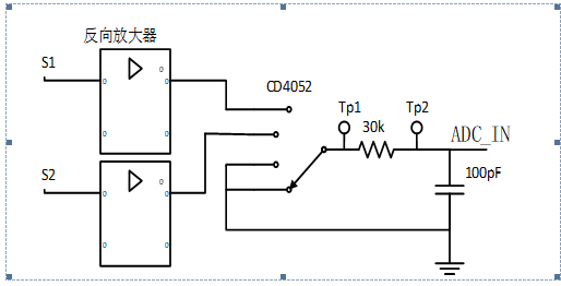
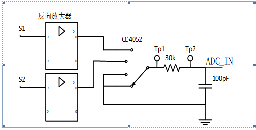
测试环境
4052输入端分别接3.3V和GND。示波器通道1,、通道2分别测试TP1,TP2。