1)电机启动问题现象:
1.我们现在一个产品的方案是采用drv11873控制无刷电机,但是电机启动过程中电机会猛的抖动一下,电机运转起来后,控制正常。启动抖动的问题没有分析出什么原因,希望协助。
绿色框框内,为电机启动瞬间读取的电机频率速度反馈,电机启动抖动一下后,正常进入运行模式。
2)抖动现象分析:
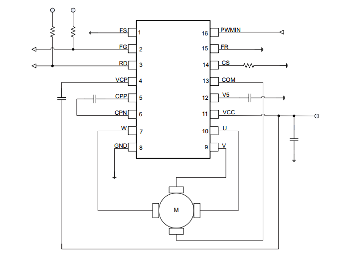
1.控制电路参考datasheet的控制电路,如下:
2.启动时给的PWM占空比为0.5% ,试过了1% 2% 3%启动,现象一样,都会抖动一下后电机进入正常调速控制模式,然后设置了PWM信号的频率 10HZ ,20 KHZ ,40KHZ,80KHZ,现象一样启动时都会出现抖动。
3.上电延时3S后给电机启动信号,避免开机电源抖动,无改善,仍会出现抖动。
4. 用我们自己的电机会抖动,在网上买无刷电机试验,上电也会出现抖动,如图所示的淘宝上购买试验的无刷电机:
5. 分析了drv11873的datasheet,对于电机启动过程的描述:电机启动模式时,不受输入PWM控制,直接给100%占空比。 如下描述,
如果是这样的情况,怎么样可以避免用drv11873芯片控制无刷电机时,电机启动会出现抖动的情况?
谢谢,请协助一下,这个问题比较着急。



