DRV8818驱动步进电机,电机静态锁住时发出啸叫声

Other Parts Discussed in Thread: DRV8818

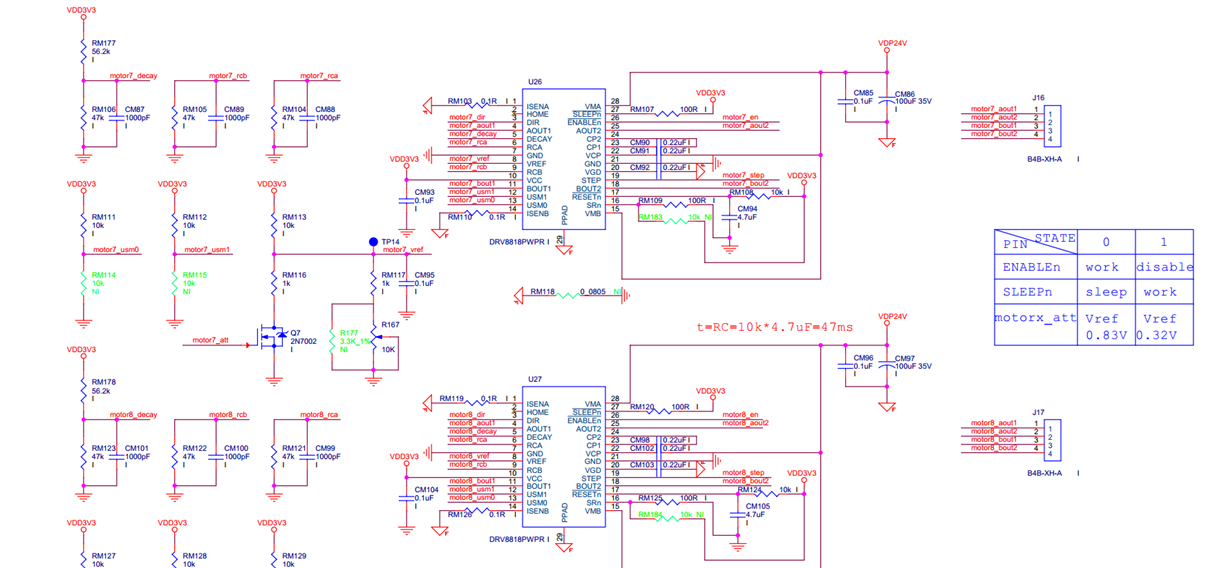
我的PCB板上有10路DRV8818驱动的电机,其工作电源24V为功率电源,回流地为功率地FGND,同时每两个电机驱动芯片预留了一个0805封装的电阻将功率FGND与数字地DGND相连。整个板子电源回流地也是FGND。在PCBA测试时,发现这5个预留电阻都不接时,电机发出比较大的啸叫声;将这5个电阻都接好时,电机的噪声水平会好很多(刚测试过,在50DB的环境噪声中,要将电机贴近耳边才能听到)。现在有几个问题想和大家同时也想请教一下TI工程师,如下

1、DRV8818的DECAY模式,在芯片手册上有写SRn 在fast decay mode 设置成低电平“0”时,将对向晶体管打开来哀减。如果在mixed decay mode 下,SRn是该设置成高电平还是低电平?芯片手册还有这么一段话“If SRn is high, current is recirculated only through the body diodes, or through external Schottky diodes. In this case fast decay is always used. 潜在意思是在MIX模式下也应该设置成高电平“1”吗?请指教。同时我也实测过,在MIX模式下,将SRn通过10K电阻拉到3.3V时,噪声要比通过100R接地噪声大。
2、我现在是将DECAY管脚的电压调到了1.3V,最初我设置的1.5V,但接上电机有,发现在0.6VCC与0.21VCC这之间1.3V算是比较安全的一个电压;在VDECAY给定的情况下,我调整RCA与RCB的电阻值(这两个管脚接的电阻、电容,保持电容不变,改变电阻值,但是RCA与RCB的电阻值相同),电机的噪声也会随电阻值变化而变化,中间会有一个最优值。我想请问一下,这个值会随电机参数的不同而不同吗?

3、如果将电机噪声调整到一个可接受的程度(不一定完全消失),请问一下这个噪声会对驱动芯片、电机的电气性能、可靠性等长期性指标有什么影响?我们产品比较关注产品的可靠性。

同时附上我的原理图与测试波形图。 CRP电机啸叫波形测试20200327.rar