参照DRV8302的Datasheet上面接的过流保护电路明显感觉不对,采用1:1分压(我们用的MOS管R(on)=3.6mΩ)限流都到450A了,实际应用当中没有达到这么大的电流,但是还是会报过流错误。是我们理解的不对吗,实际应用当中直接用两个电阻分压就能达到过流保护作用吗?
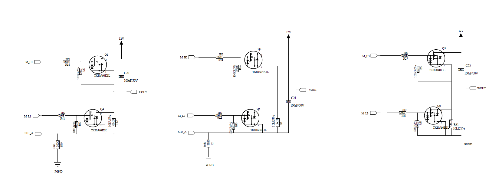
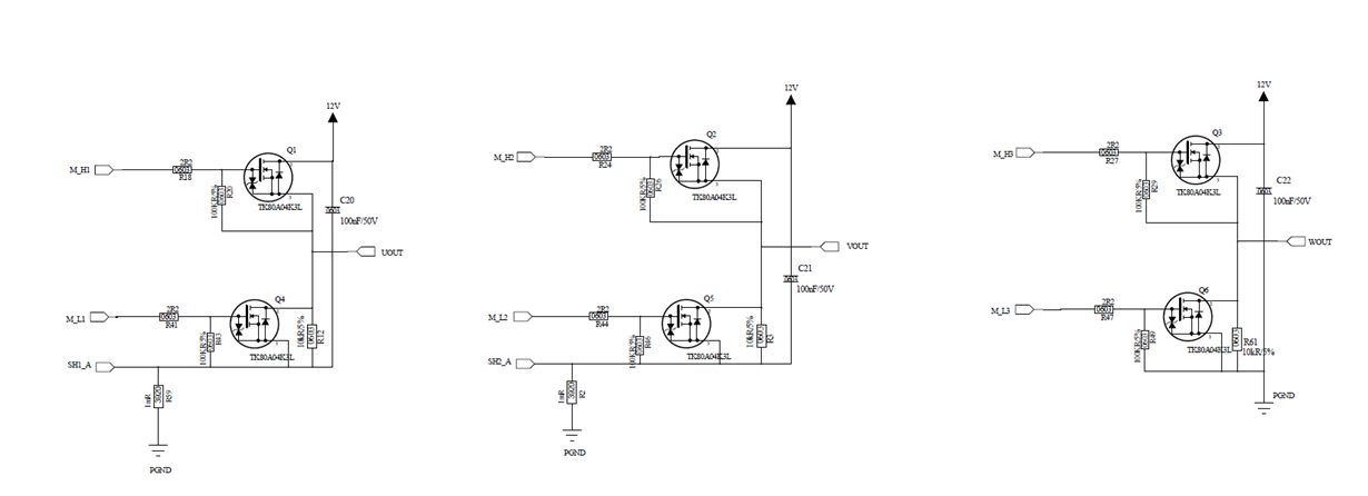
另外,再附上我们的MOS管电路,帮忙看看是不是有影响,谢谢!
CSA路径中的阻力可能导致了您的问题。
尝试实验限流逻辑时做过如下操作(R17 =10k ;R21 =330R ;计算限流30A):1、 在AB两相输出间连入功率负载(0.1R),通过示波器采集电流,控制A+ B-导通抓取波形,显示电流升到26A左右触发保护,与理论值接近;2、 下管(A-,B-,C-)全关闭状态,各相间无任何负载,仅开通任一上管(A+)PWM,则在2~3次PWM周期后触发保护;3、 实际接入BLDC感性负载时,若占空比调整增加过快,也极易触发nFault;